ƼÀþÍÑÍç°µÃåü»Ò¡ÊR·¿¡Ë14-10 ü»Ò ¥¤¥ó¥·¥å¥í¥Ã¥¯¡¢¥¿¥¤¥é¥Ã¥×Åù¡¢·ë«¥Ð¥ó¥É¤Î¥ª¥ó¥é¥¤¥ó¥·¥ç¥Ã¥×

¤¹¤°¤ËÇ㤨¤ë¡¢¤¤¤Ä¤Ç¤â»È¤¨¤ë¡ªÈÎÇ侦ÉÊ¥«¥Æ¥´¥ê

ÃíʸÊýË¡¤Î¤´°ÆÆâ

·ë«¥Ð¥ó¥É

¡ãÇÛÁ÷¤Ë¤Ä¤¤¤Æ¡ä
ÅÚÆü½Ë¤ÏÇÛÁ÷¤ò¹Ô¤Ã¤Æ¤ª¤ê¤Þ¤»¤ó¡£
ÅÚÆü½ËÆü¤Ë¤´Ãíʸ¤¤¤¿¤À¤¤¤¿¾ì¹ç¤Ï¡¢ºÇû±Ä¶ÈÆü¤Ë³Îǧ¤Î¾å¡¢3±Ä¶ÈÆü°ÊÆâ¤ÎȯÁ÷¤Ë¤Ê¤ê¤Þ¤¹¡£
¾Ü¤·¤¯¤Ï¤³¤Á¤é¡ä¡ä

¡ãÊÖÉʤˤĤ¤¤Æ¡ä
¤ªµÒÍͤΤ´ÅÔ¹ç¤Ë¤è¤ë¾¦ÉʤÎÊÖÉÊŽ¥¸ò´¹¤Ï¤ª¼õ¤±¤·¤Æ¤ª¤ê¤Þ¤»¤ó¡£Í½¤á¤´Î»¾µ¤¯¤À¤µ¤¤¡£
¾Ü¤·¤¯¤Ï¤³¤Á¤é¡ä¡ä

¼è°·¤¤¥á¡¼¥«¡¼

·ë«¥Ð¥ó¥É.com ¤Ç¤Ï²¼µ­¥á¡¼¥«¡¼¤Î·ë«¥Ð¥ó¥É¤Ï¤â¤Á¤í¤ó¡¢·ë«Íѹ©¶ñ¡¢´ØÏ¢¥¢¥¯¥»¥µ¥ê¡¼¡¢¤½¤Î¾ÅźàÍѥѡ¼¥Ä¤Ê¤É¤ò¼è¤ê°·¤Ã¤Æ¤ª¤ê¤Þ¤¹¡£
·ÇºÜ¾¦Éʰʳ°¤ÎÀ½Éʤ˴ؤ·¤Æ¤â¤´ÁêÃ̤¤¤¿¤À¤±¤ì¤Ð¤´ÍѰդǤ­¤Þ¤¹¤Î¤Ç¡¢¤ªµ¤·Ú¤Ë¤ªÌ䤤¹ç¤ï¤»¤¯¤À¤µ¤¤¡£

ü»Ò

°ìÍ÷¥Ú¡¼¥¸¤ØÌá¤ë

ƼÀþÍÑÍç°µÃåü»Ò¡ÊR·¿¡Ë14-10

ƼÀþÍÑÍç°µÃåü»Ò¡ÊR·¿¡Ë

¥á¡¼¥«¡¼¡§ÉÚ»Îü»Ò
¿ôÎÌ¡§£±È¢¡Ê100¸ÄÆþ¤ê¡Ë

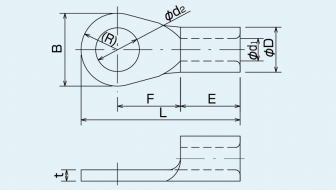
¥µ¥¤¥º
¦µ£ä2¡§10.5
£Â¡§16
£Ì¡§32.8
£Æ¡§14.8
£Å¡§10
¦µD¡§9.0
¦µd1¡§5.8
t¡§1.5

¡ï28.1¡¿¸Ä¡ÊÀÇÈ´¤­¡Ë

ƼÀþÍÑÍç°µÃåü»Ò¡ÊR·¿¡Ë14-10
ƼÀþÍÑÍç°µÃåü»Ò¡ÊR·¿¡Ë14-10
·¿ÈÖ R14-10
²Á³Ê 3,091±ß/£±È¢
¥á¡¼¥«¡¼Ì¾ ÉÚ»Îü»Ò¹©¶È³ô¼°²ñ¼Ò
ñÀþ¡Ê­Ð¡Ë 3.65¡Á4.62
DzÀþ¡Ê­Ð2¡Ë 10.52¡Á16.78
AWG 6
¸Ä¿ôÁªÂò
¡ß£±È¢
¾¦Éʤ˴ؤ¹¤ëÌ䤤¹ç¤ï¤»¡¢¥«¥¹¥¿¥Þ¥¤¥º¤Î¤´°ÍÍê¤Ê¤É¤ªÂÔ¤Á¤·¤Æ¤ª¤ê¤Þ¤¹¡ª
¤ªÌ䤤¹ç¤ï¤»/¤ª¿½¤·¹þ¤ß
Á°¤Î¥Ú¡¼¥¸¤ØÌá¤ë ¼¡¤Î¥Ú¡¼¥¸¤ØÌá¤ë

¢¥¥Ú¡¼¥¸¤Î¥È¥Ã¥×¤ËÌá¤ë