< 一覧ページへ戻る
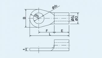
銅線用裸圧着端子(R型) メーカー:冨士端子 数量:1箱(100個入り) サイズ Φd2:5.3 B:8.0 L:15.8 F:7.3 E:4.5 ΦD:3.4 Φd1:1.7 t:0.75 ¥3.3/個(税抜き)
土日祝は配送を行っておりません。土日祝日にご注文いただいた場合は、最短営業日に確認の上、3営業日以内の発送になります。
詳しくはこちら>>
お客様のご都合による商品の返品・交換はお受けしておりません。予めご了承ください。
結束バンド.com では下記メーカーの結束バンドはもちろん、結束用工具、関連アクセサリー、その他電材用パーツなどを取り扱っております。掲載商品以外の製品に関してもご相談いただければご用意できますので、お気軽にお問い合わせください。トーマス・アンド・ベッツ・インターナショナル・インク (タイラップ)ヘラマンタイトン株式会社 (インシュロック)